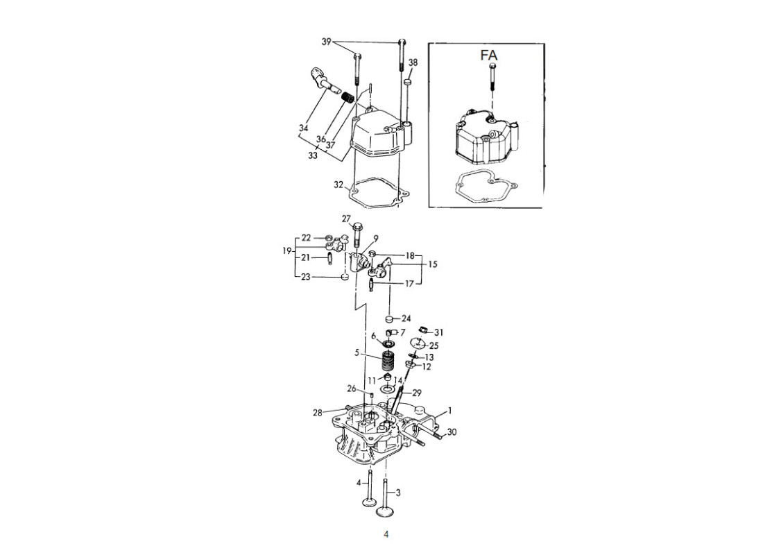
178F - głowica

178F - głowica

Aktywne filtry

Jest 2 produktów.

Filtruj według

Cena

Cena

  • 50,00 zł - 75,00 zł

Marka

Marka

Waga

Waga

  • 0,02 kg - 0,05 kg