Lokalizacja sklepu Moje zamówienia moje konto
Zaloguj
M&M sprzetybudowlane.pl
(+48)509998708
 Compare 0
 Lista życzeń 0
0
Koszyk (0)
zamknij
empty-cart
Brak produktów w koszyku
 MENU
Menu

  •   Części zamienne
    •   Silniki Honda
      •   GX25
        • GX25 - gaźnik
        • GX25 - rozrząd
        • GX25 - osłona wentylatora
        • GX25 - szarpak
      •   GX35
        • GX35 - rozrząd
        • GX35 - układ tłokowy
        • GX35 - osłona sprzęgła
      •   GX100
        • GX100 - kolektor ssący
        • GX100 - filtr powietrza
      •   GX120
        • GX120 - kolektor ssący
        • GX120 - gaźnik
        • GX120 - głowica
        • GX120 - blok silnika
        • GX120 - obudowa
        • GX120 - zbiornik paliwa
        • GX120 - pokrywa boczna
        • GX120 - układ tłokowy
        • GX120 - uszczelki
      •   GX160
        • GX160 - uszczelki
        • GX160 - kolektor suchy
        • GX160 - kolektor ssący mokry
        • GX160 - gaźnik
        • GX160 - głowica
        • GX160 - karter
        • GX160 - koło zamachowe
        • GX160 - układ paliwa
        • GX160 - pokrywa bloku
        • GX160 - regulacja gazu
        • GX160 - układ tłokowy
        • GX160 - rozrząd
        • GX160 - wał
      •   GX200
        • GX200 - uszczelki
        • GX200 - kolektor ssący suchy
        • GX200 - kolektor ssący olejowy
        • GX200 - głowica
        • GX200 - gaźnik
        • GX200 - zbiornik paliwa
        • GX200 - obudowa
        • GX200 - pokrywa boczna
        • GX200 - uszczelki
        • GX200 - rozrząd/zawory
        • GX200 - układ tłokowy
        • GX200 - szarpak
        • GX200 - wał
      •   GX270
        • GX270 - głowica
        • GX270 - blok silnika
        • GX270 - kolektor ssący
        • GX270 - uszczelki
        • GX270 - pokrywa boczna
        • GX270 - rozrząd
        • GX270 - układ tłokowy
      •   GX390
        • GX390 - głowica
        • GX390 - blok silnika
        • GX390 - kolektor olejowy
        • GX390 - gaźnik
        • GX390 - rozrząd
        • GX390 - kolektor ssący
        • GX390 - pokrywa boczna
        • GX390 - wał
        • GX390 - uszczelki
        • GX390 - osłona silnika
    •   Silniki Robin
      • EH10
      •   EH12
        • EH12 - blok
        • EH12 - układ tłokowy
        • EH12 - gaźnik
        • EH12 - regulacja gazu
        • EH12 - głowica, rozrząd, kolektor ssący
        • EH12 - układ elektryczny
      •   EH17
        • EH17 - układ elektryczny
      • EH30
      • EH34
      •   EY15
        • EY15 - układ elektryczny
        • EY15 - blok silnika
        • EY15 - filtr powietrza
      •   EY20
        • EY20 - filtr powietrza
      •   EX13/WM130
        • EX13 - blok silnika
        • EX13 - układ elektryczny
      •   EX17/WM170
        • EX17 - blok silnika
      • EX21
      • EX27
      •   EX35/EX40
        • EX40 - blok
        • EX40 - układ tłokowy
        • EX40 - tłumik, zawory, rozrząd
        • EX40 - kolektor ssący
        • EX40 - gaźnik
    •   Silniki diesel
      •   170F / L48
        • 170F - blok silnika
        • 170F - uszczelki
        • 170F - głowica
        • 170F - układ paliwa
        • 170F - filtr powietrza suchy
        • 170F - układ elektryczny
        • 170F - regulacja gazu
        • 170F - szarpak
        • 170F - układ tłokowy
        • 170F - filtr olejowy
      •   173F
        • 173F - uszczelki
        • 173F - blok silnika
        • 173f - głowica
        • 173 - układ paliwa
        • 173F - filtr powietrza suchy
        • 173F - układ elektryczny
        • 173F - regulacja gazu
        • 173F - szarpak
        • 173f - układ tłokowy
        • 173F - filtr olejowy
        • 173F - filtr olejowy
      •   178F / L70AE
        • 178F - głowica
        • 178F - układ tłokowy
        • 178F - układ paliwa
        • 178F - filtr powietrza suchy
        • 178F - układ elektryczny
        • 178F - regulacja gazu
        • 178F - szarpak
        • 178F - układ tłokowy
        • 178F - filtr olejowy
      •   186F / L100AE
        • 186F/l100 - uszczelki
        • 186F/l100 - głowica
        • 186F/l100 - układ elektryczny
        • 186F/l100 - filtr powietrza mokry
        • 186F/l100 - układ paliwa
        • 186F/l100 - układ wtryskowy
        • 186F/l100 - układ tłokowy
        • 186F/l100 - pompa oleju
        • 186F/l100 - kolektor ssący i filtr
        • 186F/l100 - blok silnika
        • 186F/l100 - wydech
        • 186F/L100 - regulacja gazu
        • 186F/L100 - szarpak
        • 186F - rozrząd
      •   188F
        • 188f - układ tłokowy
        • 188F - blok silnika
        • 188F - głowica
        • 188F - układ paliwa
        • 188F - wydech
        • 188f - uszczelki
        • 188F - regulacja gazu
        • 188F - szarpak
        • 188f - rozrząd
      •   192F
        • 192F - uszczelki
        • 192F - głowica
        • 192F - układ elektryczny
        • 192F - wtrysk i pompa
        • 192F - układ tłokowy
        • 192F - pompa oleju
        • 192F - kolektor ssący
        • 192F - blok silnika
        • 192F- rozrząd
        • 192F - głowica
        • 192F - regulacja gazu
      • L70N
    •   Silniki Loncin/Lifan
      • 134F
      • 154F
      • LC165F-3h
      •   G160/G200
        • G160/G200 - uszczelki
        • G160/G200 - kolektor ssący suchy
        • G160/G200 - kolektor ssący olejowy
        • G160/G200 - blok silnika
        • G160/G200 - głowica
        • G160/G200 - gaźnik
        • G160/G200 - obudowa
        • G160/G200 - układ paliwa
        • GX160/200 - wał
      •   G210/170F
        • G210 - kolektor ssący
        • G210 - kolektor olejowy
        • G210 - gaźnik
        • G210 - głowica
        • G210 - blok silnika
        • G210 - koło zamachowe
        • G210 - osłona silnika
        • G210 - zbiornik paliwa
        • G210 - pokrywa boczna
        • G210 - regulacja gazu
        • G210 - układ tłokowy
        • G210 - uszczelki
        • G210 - rozrząd
      •   G270/177F
        • G270/177F - uszczelki
        • G270/177F - głowica
        • G270/177F - pokrywa boczna
        • GX270/177F - rozrząd, zawory
        • G270/177F - układ tłokowy
      •   G390/188F
        • G390/188 - blok silnika
        • G390/188 - kolektor mokry
        • G390/188 - rozrząd
        • G390/188 - osłona silnika
        • G390/188 - układ tłokowy
        • G390/188 - szarpak
        • G390/188 - uszczelka
      •   G420/190F
        • G420/190F - uszczelki
        • G420/190F - układ tłokowy
        • G420/190F - stacyjka
        • G420/190F - szarpak
        • G420/190F - głowica
        • G420/190F - kolektor ssący
        • G420/190F - pokrywa boczna
        • G420/190F - rozrząd
      •   G440/192F
        • G440/192F - uszczelki
        • G440/192F - gaźnik
        • G440/192F - głowica
        • G440/192F - rozrząd
        • G440/192F - blok silnika
        • G440/192F - osłona
        • G440/192F - pokrywa boczna
        • G440/192F - rozrząd
        • G440/192F - układ tłokowy
    • Silniki Hatz
    • Silniki BRIGGS&STRATTON
    •   Części do pił
      •   Piły Stihl
        •   MS170/MS180
          • MS170/180 - kolektor ssąy
        • MS210
        • MS230
        • MS250
    • Części do podkaszarek
    • Części do agregatów
    •   Części do zacieraczek
      •   Zacieraczka chińskie Powermat Marpol
        • 100cm
        • 60cm
    • Części do skoczków
    •   Części do przecinarek
      •   Przecinarki Stihl
        •   TS410/420
          • TS410/TS420 - cylinder
  •   Narzędzia do betonu
    • Łopatki i talerze
    • Zacieraczki
    •   Wibratory do betonu
      • Napędy
      • Buławy
      • Zestawy
    • Frezarki
    • Narzędzia ręczne
  • Silniki
  •   Łaty i poziomnice
    • Kątownice
    • Łaty budowlane
    • Łaty trapezowe
    • Łaty typu h
    • Poziomnice
Lokalizacja sklepu Moje zamówienia moje konto
Zaloguj
 Lista życzeń 0
 Compare 0
  • Katalog części
  •   Narzędzia do betonu
    • Łopatki i talerze
    • Zacieraczki
    •   Wibratory do betonu
      • Napędy
      • Buławy
      • Zestawy
    • Frezarki
    • Narzędzia ręczne
  • Silniki
  •   Łaty i poziomnice
    • Kątownice
    • Łaty budowlane
    • Łaty trapezowe
    • Łaty typu h
    • Poziomnice
  1. Strona główna
  2. Części zamienne
  3. Części do zacieraczek
  4. Zacieraczka chińskie Powermat Marpol

pokaż po kategorii

Strona główna  

    • Części zamienne
      
      • Silniki Honda
      • Silniki Robin
      • Silniki diesel
      • Silniki Loncin/Lifan
      • Silniki Hatz
      • Silniki BRIGGS&STRATTON
      • Części do pił
      • Części do podkaszarek
      • Części do agregatów
      • Części do zacieraczek
      • Części do skoczków
      • Części do przecinarek
    • Narzędzia do betonu
      
      • Łopatki i talerze
      • Zacieraczki
      • Wibratory do betonu
      • Frezarki
      • Narzędzia ręczne
    • Silniki
    • Łaty i poziomnice
      
      • Kątownice
      • Łaty budowlane
      • Łaty trapezowe
      • Łaty typu h
      • Poziomnice

Filtruj według

Kategorie

Kategorie

 

Most View Product

Most View Product  

Uszczelka bloku silnika 170F 173F L40 L48

Uszczelka bloku silnika...

11,00 zł
Silnik Loncin G420 wał 25mm

Silnik Loncin G420 wał 25mm

1 500,00 zł
Filtr powietrza do silników L100 186F 188F

Filtr powietrza do silników...

39,00 zł
All products

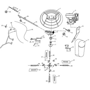
Zacieraczka chińskie Powermat Marpol

Zacieraczka chińskie Powermat Marpol

Podkategorie

  • 100cm
    100cm
  • 60cm
    60cm

Aktywne filtry

  • Grid
  • List

Jest 1 produkt.

Filtruj według

Kategorie

Kategorie

 
Sortuj wg:
Sprzedaż, od najwyższej do najniższej Dostępne Nazwa, A do Z Nazwa, Z do A Cena, rosnąco Cena, malejąco Referencje, od A do Z Referencje, od Z do A
Linka z manetką do zacieraczki zagęszczarki linka 150cm
Dodaj do porównania
Dodaj do listy
M&M Linka z manetką do zacieraczki zagęszczarki linka 150cm

Linka gazu + manetka uniwersalna do różnego typu urządzeń typu zacieraczka, zagęszczarka, glebogryzarka z silnikami benzynowymi o mocy 3-15KM

Długość pancerzyka około 150cm

Dodaj do porównania
Dodaj do listy
60,00 zł
Pokazano 1-1 z 1 pozycji
Subskrybuj nasz newsletter Bądź na bieżąco z wydarzeniami, promocjami i ofertami

Kontakt z nami

Informacja o sklepie  
  •  M&M sprzetybudowlane.pl
    Gorzowska 86
    66-431 Santok
    Polska
  •  509998708
  •  sprzetybudowlane@wp.pl

śledź nas

śledź nas  

Produkty

Produkty  
  • Promocje
  • Nowe produkty
  • Najczęściej kupowane

Nasza firma

Nasza firma  
  • Dostawa i zwroty
  • Nota prawna
  • Regulamin sklepu
  • O nas
  • Płatności
  • Kontakt z nami
  • Mapa strony
  • Sklepy
This is a standard cookie notice which you can easily adapt or disable in admin. Please click Accept cookies to continue to use the site.

© 2026 - Oprogramowanie e-sklepu od PrestaShopcp

payment.png
