Nasza loklaizacja Śledź zamówienia Moje konto
Zaloguj
Sklep MIŚ M&M sprzetybudowlane.pl
(+48) 509 998 708
 Compare 0
 Lista życzeń 0
0
Koszyk (0)
zamknij
Brak produktów w zamówieniu
 Kategorie
Menu

  •   Części zamienne
    •   Silniki benzynowe
      •   Honda
        •   GX25
          • GX25 - rozrząd
          • GX25 - gaźnik
          • GX25 - ołsona sprzęgła
          • GX25 - szarpak
          • GX25 - blok silnika
          • GX25 - cewka kolo
          • GX25 - filtr powietrza
          • GX25 - układ paliwa
          • GX25 - tłok wał
        •   GX35
          • GX35 - rozrząd
          • GX35 - zbiornik paliwa
          • GX35 - karter
          • GX35 - sprzęgło i osłona
          • GX35 - gaźnik
        •   GX100
          • GX100 - kolektor ssący
          • GX100 - gaźnik membranowy
          • GX100 - gaźnik pływak
        •   GX120
          • GX120 - uszczelki
        •   GX160/GX200
          • GX160/GX200 - szarpak
          • GX160/GX200 - głowica
          • GX160/GX200 - blok
          • GX160/GX200 - pokrywa
          • GX160/GX200 - tłok
          • GX160/GX200 - rozrząd/zawory
          • GX160/GX200 - elementy osłony
          • GX160/GX200 - gaźnik
          • GX160/GX200 - tłumik
          • GX160/GX200 - regulacja gazu
          • GX160/GX200 - filtr powietrza
          • GX160/GX200 - kolektor olejowy
          • GX160/GX200 - układ paliwowy
          • GX160/GX200 - uszczelki
          • GX160/GX200 - koło zamachowe
        •   GX160 - stopa wibracyjna
          • GX160 - kolektor ssący
          • GX160 - tłumik
          • GX160 - pokrywa boczna
          • GX160 - tłok korbowód
          • GX160 - regulacja gazu
          • GX160 - zawory rozrząd
          • GX160 - głowica
        •   GX270
          • GX270 - szarpak
          • GX270 - rozrząd zawory
          • GX270 - pokrywa boczna
          • GX270 - głowica
          • GX270 - regulacja gazu
          • GX270 - tłumik
          • GX270 - układ paliwowy
          • GX270 - blok silnika
          • GX270 - cewka
          • GX270 - szarpak
          • GX270 - uszczelki
          • GX270 - elementy elektryki
        •   GX390
          • GX390 - zawory i rozrząd
          • GX390 - pokrywa boczna
          • GX390 - głowica
          • GX390 - dźwignia regulacji gazu
          • GX390 - tłumik
          • GX390 - układ paliwa
          • GX390 - blok silnika
          • GX390 - cewki
          • GX390 - szarpak
          • GX390 - tłok pierścienie
          • GX390 - uszczelki
          • GX390 - gaźnik
          • GX390 - kolektor olejowy
          • GX390 - rozrusznik
          • GX390 - elementy elektryki
        •   GXV140
          • GXV140 - kolektor ssący/filtr
      •   Loncin/Lifan
        •   152F/154F/156F
          • 154F - uszczelki
          • 154F - pokrywa boczna
          • 154F - koło zamachowe
          • 154F - głowica
        •   G200/168cc/198cc
          • G200 - głowica
          • G200 - blok
          • G200 - pokrywa
          • G200 - tłok, korbowód
          • G200 - rozrząd i zawory
          • G200 - szarpak
          • G200 - osłona zewnętrzna
          • G200 - gażnik
          • G200 - tłumik
          • G200 - regulacja gazu
          • G200 - kolektor ssący
          • G200 - kolektor olejowy
          • G200 - uszczelki
          • G200 - koło zamachowe
          • G200 - układ paliwa
        •   G210/210cc/212cc
          • G210 - koło zamachowe
          • G210 - układ tłokowy
          • G210 - kolektor ssący
          • G210 - gaźnik
          • G210 - głowica
          • G210 - osłona silnika
          • G210 - układ paliwa
          • G210 - pokrywa boczna
          • G210 - regulacja gazu
          • G210 - uszczelki
          • G210 - zawory rozrząd
        •   168F-2H
          • 168F-2h - kolektor ssący
          • 168F-2h - tłumik
          • 168F-2h - gażnik
          • 168F-2h - uszczelki
          • 168F-2h - rozrząd i zawory
          • 168F-2h - pokrywa boczna
          • 168F-2h - regulacja gazu
          • 168F-2h - tłok korbowód
          • 168F-2h - szarpak
          • 168F-2h - blok silnika
          • 168F-2h - głowica
          • 168F-2h - osłona
          • 168F-2h - koło zamachowe
        •   G270/177F
          • G270 - szarpak
          • G270 - kolektor ssący
          • G270 - tumik
          • G270 - głowica
          • G270 - uszczelki
          • G270 - układ tłokowy
          • G270 - stacyjka i wyłączniki
          • G270 - elementy elektryki
          • G270 - pokrywa boczna
        •   G390 / 188F
          • G390 - rozrząd
          • G390 - pokrywa boczna
          • G390 - głowica
          • G390 - regulacja gazu
          • G390 - tłumik
          • G390 - układ paliwa
          • G390 - blok silnika
          • G390 - cewki
          • G390 - szarpak
          • G390 - uszczelki
          • G390 - gaźnik
          • G390 - kolektor olejowy
          • G390 - rozrusznik
          • G390 - elementy elektryki
        •   G420 / 190F
          • G420 - uszczelki
          • G420 - blok
          • G420 - głowica
          • G420 - gaźnik
          • G420 - kolektor olejowy
          • G420 - szarpak
          • G420 - tłumik
          • G420 - rozrusznik
          • G420 - pokrywa boczna
          • G420 - elementy elektryki
        •   G440/192F
          • G440 / 192F - głowica
          • G440 / 192f - blok
          • G440 / 192F - kolektor olejowy
          • G440/192F - tłumik
          • G440 - rozrusznik
          • G440 - elementy elektryki
        • 165F-H 149cc
      •   Briggs&Stratton
        • 450 550
        • 800 850
        • 11-15HP
        • Filtry powietrza do B&S
        • Uszczelki B&S
      •   Robin/Wacker
        •   EY15
          • EY15 - Blok
          • EY15 - tłok
          • EY15 - układ ssący i wydechowy, zawory
          • EY15 - filtr powietrza V2
          • EY15 - regulacja gazu
          • Ey15 - szarpak
          • Ey15 - układ paliwa
        • EY20
        •   EX13
          • EX13 - blok
          • EX13 - rozrzad glowica uklad wyd-ssacy
          • EX13 - uklad tlokowy
          • EX13 - gaźnik
          • EX13 - Kolektor ssący
          • EX13 - uszczelki
        •   EX17/WM170
          • EX17 - blok
          • EX17 - gaźnik
          • EX17 - kolektor
          • EX17 - tłok, pierscienie
          • EX17 - regulacja gazu
          • EX17 - zbiornik
          • EX17 - szarpak
          • EX17 - uszczelki
        •   EX21
          • EX21 - blok
          • EX21 - kolektor
        • EX27
        •   EX35
          • EX35 - Blok
          • EX35 - układ tłokowy
          • EX35 - uklad ssaco wydechowy, rozrzad
          • EX40 - kolektor ssący, filtr
          • EX35 - szarpak
        •   EX40
          • EX40 - blok, głowica
          • EX40 - tłok, pierścienie, tłok
          • EX40 - układ ssąco wydechowy, rozrząd
          • EX40 - kolektor ssący, filtr
          • EX40 - regulacja gazu
          • EX40 - szarpak
          • EX40 - układ paliwa
          • EX40 - gaźnik
        •   EH12
          • EH12 - blok/glowica
          • EH12 - układ tłokowy
          • EH12 - układ wydechowo-ssący, głowica i rozrząd
          • EH12 - regulacja gazu
          • EH12 - szarpak
          • EH12 - gaźnik
          • EH12 - cewki, koło
          • EH12 - uszczelki
      •   Kohler
        • SV470
        • CH25/CH26
        • CV11/CV15
    •   Silniki Diesel
      •   Kipor/Yanmar/Koop
        •   170F / L48
          • 170F - blok
          • 170F - gowica
          • 170F - rozrząd
          • 170F - filtr mokry
          • 170F - kolektor i filtr powietrza
          • 170F - tłok pierścienie korba
          • 170f - układ paliwowy
          • 170F - regulacja gazu
          • 170F - wtrysk
          • 170F - wał korbowy
          • 170F - pompa oleju
          • 170F - układ elektryczny
          • 170F - uszczelki
          • 170F - szarpak
        •   173F
          • 173F - blok silnika
          • 173F - głowica
          • 173F - uszczelki
          • 173F - rozrząd
          • 173F - filtr powietrza mokry
          • 173F - filtr powietrze i kolektor
          • 173F - układ tłokowy
          • 173F - regulacja gazu
          • 173F - układ paliwowy
          • 173F - Wtrysk
          • 173F - układ wałków
          • 173F - wtrysk
          • 173F - pompa oleju
          • 173F - układ elektryczny
          • 173F - pompa paliwa
          • 173F - szarpak
        •   178F / L70AE
          • 178F - blok
          • 178F - układ paliwa
          • 178F - układ wtryskowy
          • 178F - rozruch elektryczny
          • 178F - układ tłokowy
          • 178F - głowica
          • 178F - regulacja gazu
          • 178F - system oleju
          • 178F - rozrząd
          • 178F - wałki
          • 178F - uszczelki
          • 178F - tłumik
          • 178F - szarpak
          • 178F - kolektor ssący, filtr powietrza
        •   186F / L100AE
          • 186F - układ paliwa
          • 186F - pompa wtrysk
          • 186F - układ elektryczny
          • 186F - układ tłokowy
          • 186F - głowica
          • 186F - regulacja gazu
          • 186F - system oleju
          • 186F - kolektor ssący
          • 186F - blok silnika
          • 186F - rozrząd
          • 186F - wał korbowy
          • 186F - uszczelki
          • 186F - kolektor olejowy
          • 186F - szarpak
          • 186F - kranik + filtr paliwa agregat
          • 186F - Tłumik
        •   188FA
          • 188F - układ paliwa
          • 188F - układ wtryskowy
          • 188F - układ elektryczny
          • 188F - układ tłokowy
          • 188F - głowica
          • 188F - regulacja gazu
          • 188F - system olejowy
          • 188F - kolektor ssący
          • 188F - blok silnika
          • 188F - rozrząd
          • 188F - wałki i koło
          • 188F - uszczelki
          • 188F - szarpak
          • 188F- kranik + filtr paliwa agregat
          • 188F - tłumik
        •   190FA
          • 190F - układ paliaw
          • 190F - szarpak
        •   192F
          • 192F - pompa - wtrysk
          • 192F - układ tłokowy
          • 192 - układ paliwowy
          • 192F - układ elektryczny
          • 192 - głowica
          • 192f - regulacja gazu
          • 192 - system olejowy
          • 192f - kolektor ssący
          • 192F - blok
          • 192f - rozrząd
          • 192f - wał, koło zamachowe
          • 192f - uszczelki
          • 192F - szarpak
          • 192F - kranik + filtr paliwa agregat
        • L70N/L100N
        • Wtryski i końcówki wtrysków
      •   Hatz
        •   1B20
          • 1B20 - kolektor ssący
    •   Piły spalinowe
      •   STIHL
        •   MS170/MS180
          • Szarpak
          • MS170 - kolektor ssący
        •   MS171/MS181
          • Kolektor ssący
          • Gaźnik
          • Rączka, sprzęgło, osłona
        •   MS210
          • MS210 - filtr
        •   MS211
          • Osłona sprzęgła, rączka
          • Gaźnik
          • Kolektor ssący
        • MS231/251
        •   MS230
          • MS230 - filtr
        •   MS250
          • MS230 - filtr
      • HUSQVARNA
      • INNE
    •   Przecinarki
      •   STIHL
        • TS400
        • TS410/420
        • TS700
      • Husqvarna
      • Wacker
    •   Podkaszarki
      • STIHL
      • NAC/DEMON/ECHO
      • HUSQVARNA
    •   Części do agregatów
      • Agregaty diesel 4-7kW
      • Agregaty benzynowe do 4kW
      • Agregaty benzynowe 4-8kW
    • Sprzęgła i koła pasowe
    • Filtry paliwa
    •   Stopy wibracyjne
      •   Wacker
        •   BS50-2 - części
          • BS50-2 kolektor
        • BS50-2i
        •   BS60-2
          • BS60-2 - kolektor
        • BS60-2i
        •   BS70-2
          • BS70-2 kolektor
        • BS70-2i
        • BS600
      • Inne ~70kg
    •   Zacieraczki do betonu
      •   Zacieraczki inne
        • Zacieraczka 100 PT36
        • Zacieraczka 60 PT24
      • ENAR
      •   Wacker
        •   CRT36
          • CRT36 - układ przeniesienia napędu
          • CRT36 - krzyzak
          • CRT36 - przekładnia lewa
          • CRT36 - przekladnia prawa
          • CRT36 - układ kierowniczy
          • CRT36 - zraszacze i układ paliwa
    •   Zagęszczarki
      • Pozostałe
      • Belle
      • Wacker
    •   Części do listw wibracyjnych
      • Ripper/Kratf/Bass
    • Inne
  •   Narzędzia do betonu
    • Zacieraczki do betonu
    •   Wibratory do betonu
      • Dingo
      • AVMU
      • FOX
    • Listwy wibracyjne
    • Łopatki do zacieraczek
    • Talerze
    •   Piły do asfaltu
      • Tarcze
  • Zagęszczarki
  •   Narzędzia brukarskie
    • Chwytaki
    • Młotki
    • Pozostałe
  •   Pozmiomnice i łaty
    • Łaty trapezowe
    • Łaty typu h
    • Łaty budowlane
    • Kątownice
    • Poziomnice
Nasza loklaizacja Śledź zamówienia Moje konto
Zaloguj
 Lista życzeń 0
 Compare 0
  • Katalog części
  • Promocje
  •   Narzędzia do betonu
    • Zacieraczki do betonu
    •   Wibratory do betonu
      • Dingo
      • AVMU
      • FOX
    • Listwy wibracyjne
    • Łopatki do zacieraczek
    • Talerze
    •   Piły do asfaltu
      • Tarcze
  •   Pozmiomnice i łaty
    • Łaty trapezowe
    • Łaty typu h
    • Łaty budowlane
    • Kątownice
    • Poziomnice
  •   Narzędzia brukarskie
    • Chwytaki
    • Młotki
    • Pozostałe
  • Zagęszczarki
  1. Strona główna
  2. Części zamienne
  3. Strona główna
  4. Części zamienne
  5. Silniki benzynowe
  6. Honda
  7. GX160/GX200

sortuj wg. kategorii

Strona główna  

    • Części zamienne
      
      • Silniki benzynowe
        • Honda
        • Loncin/Lifan
        • Briggs&Stratton
        • Robin/Wacker
        • Kohler
      • Silniki Diesel
        • Kipor/Yanmar/Koop
        • Hatz
      • Piły spalinowe
        • STIHL
        • HUSQVARNA
        • INNE
      • Przecinarki
        • STIHL
        • Husqvarna
        • Wacker
      • Podkaszarki
        • STIHL
        • NAC/DEMON/ECHO
        • HUSQVARNA
      • Części do agregatów
        • Agregaty diesel 4-7kW
        • Agregaty benzynowe do 4kW
        • Agregaty benzynowe 4-8kW
      • Sprzęgła i koła pasowe
      • Filtry paliwa
      • Stopy wibracyjne
        • Wacker
        • Inne ~70kg
      • Zacieraczki do betonu
        • Zacieraczki inne
        • ENAR
        • Wacker
      • Zagęszczarki
        • Pozostałe
        • Belle
        • Wacker
      • Części do listw wibracyjnych
        • Ripper/Kratf/Bass
      • Inne
    • Narzędzia do betonu
      
      • Zacieraczki do betonu
      • Wibratory do betonu
        • Dingo
        • AVMU
        • FOX
      • Listwy wibracyjne
      • Łopatki do zacieraczek
      • Talerze
      • Piły do asfaltu
        • Tarcze
    • Zagęszczarki
    • Narzędzia brukarskie
      
      • Chwytaki
      • Młotki
      • Pozostałe
    • Pozmiomnice i łaty
      
      • Łaty trapezowe
      • Łaty typu h
      • Łaty budowlane
      • Kątownice
      • Poziomnice
    • Silniki

Most View Product

Most View Product  

Poziomnica czerwona 40cm

Poziomnica czerwona 40cm

32,00 zł
Łopatki do zacieraczki 100 90 Gold
  • Obecnie brak na stanie

Łopatki do zacieraczki 100...

180,00 zł
Łata tynkarska trapezowa 150cm
  • Obecnie brak na stanie

Łata tynkarska trapezowa 150cm

65,99 zł
All products

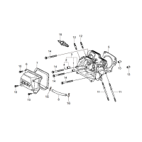
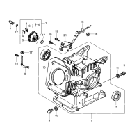
GX160/GX200

GX160/GX200 - szarpak

GX160/GX200 - szarpak

GX160/GX200 - głowica

GX160/GX200 - głowica

GX160/GX200 - blok

GX160/GX200 - blok

GX160/GX200 - pokrywa

GX160/GX200 - pokrywa

GX160/GX200 - tłok

GX160/GX200 - tłok

GX160/GX200 - rozrząd/zawory

GX160/GX200 - rozrząd/zawory

GX160/GX200 - elementy osłony

GX160/GX200 - elementy osłony

GX160/GX200 - gaźnik

GX160/GX200 - gaźnik

GX160/GX200 - tłumik

GX160/GX200 - tłumik

GX160/GX200 - regulacja gazu

GX160/GX200 - regulacja gazu

GX160/GX200 - filtr powietrza

GX160/GX200 - filtr powietrza

GX160/GX200 - kolektor olejowy

GX160/GX200 - kolektor olejowy

GX160/GX200 - układ paliwowy

GX160/GX200 - układ paliwowy

GX160/GX200 - uszczelki

GX160/GX200 - uszczelki

GX160/GX200 - koło zamachowe

GX160/GX200 - koło zamachowe

Dołącz do naszego Newslettera

Otrzymuj najświeższe informacje na temat wydarzeń, wyprzedaży i ofert

Kontakt z nami

Informacja o sklepie  
  •  Sklep MIŚ M&M sprzetybudowlane.pl
    Gorzowska 86
    66-431 Santok
    Polska
  •  509998708
  •  sklep@sprzetybudowlane.pl

śledź nas

śledź nas  

Produkty

Produkty  
  • Promocje
  • Nowe produkty
  • Najczęściej kupowane

Nasza firma

Nasza firma  
  • Dostawa
  • Polityka prywatności
  • Zwroty, reklamacje i gwarancje
  • O nas
  • Kontakt z nami
  • Mapa strony
  • Sklepy
×
Produkt testowy
Someone Purchased
Produkt testowy
8 minutes ago

Nasza strona korzysta z plików cookies, dzięki czemu możemy zapewnić Ci bezpieczne i komfortowe warunki podczas wizyt na naszej stronie. Pomagają nam one również zrozumieć Twoje potrzeby, w tym dopasować treść reklam do Twoich zainteresowań. Będziemy wdzięczni jeśli zaakceptujesz wszystkie pliki cookies, ale oczywiście możesz dostosować swoje zgody klikając zakładkę ustawienia.
Więcej informacji o tym, jak Google wykorzystuje Twoje dane osobowe, znajdziesztutaj.

Szczegółowe informacje ma temat plików cookies znajdziesz w naszej Polityce Prywatności

© 2025 - Oprogramowanie e-sklepu od PrestaShopcp


Deneme bonusu veren sitelerbahis sitelericasino sitelerideneme bonusu veren sitelerCasino sitelericraftedlivingblogbahis sitelerieureka grand centralshopkumar sitelerideneme bonusu veren sitelerslot sitelericasino siteleriCasinolakshya eye hospitalbahismdctedatadeneme bonusu veren siteler 2025deneme bonusubahis sitelericasinoslot sitelerideneme bonusu veren siteleralternate